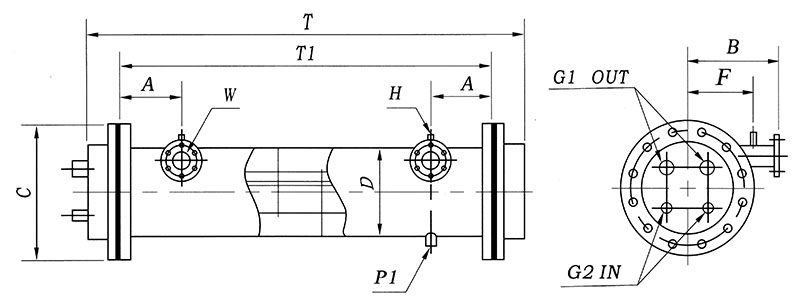
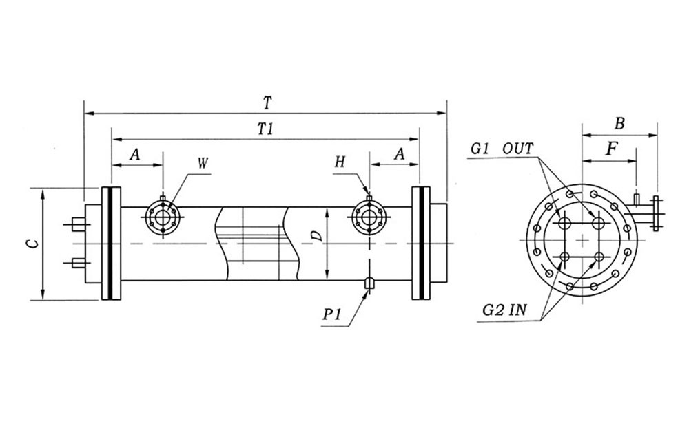
CT系列(叁機組蒸發器)
CS系列(單機組蒸發器)
CD系列(貳機組蒸發器)
CF系列(肆機組蒸發器)
總機:021-56809661
郵箱:info@yilengteyi.com
地址: 上海市寶山區春和路1350號6幢